anna@hdhipottester.com
james@hdhipottester.com
8618986157274
+86 18986157274
live:1379417129
1379417129
international advanced level for precision measurement at low power factor, its innovative data automatic locking technology is characterized with accurate locking, no artificial interference, which can improve working efficiency tens times
HVW-VI Transformer No-Loads and Loads Characteristic Tester
Our company has researched HVW-VI transformer no load characteristic tester under strong support of National Science and Technology Fund after difficult investigation for many years. This high technology product with own intelligent property not only reaches international advanced level for precision measurement at low power factor, its innovative data automatic locking technology is characterized with accurate locking, no artificial interference, which can improve working efficiency tens times.
HVW-VI transformer no load characteristic tester applies 8.0 inch colourful liquid crystal display screen and the intelligent touching control technology, operation is more convenient.
Performance of HDW-VI transformer no load tester is excellent, which is extensively applied in motor and air fan etc industries.
1) Ensure to carefully read the manual prior to use the instrument.
2) The instrument operator shall have general application knowledge about electric equipments or instruments.
3) The instrument shall avoid severe vibration.
4) The instrument must be grounded reliably, which protects against electricity shock danger.
5) After testing is complete, press down return key and switch off the power supply switch.
1 Measure no load loss, load loss, average value of voltage effective value, current effective value, impedance voltage, zero sequence impedance, power factor, harmonic and frequency etc parameters.
2 With three voltage testing channels and three independent current testing channels, which are in accordance with three phase power testing.
3 Meet with power measurement of the non-metallic alloy and large power transformer etc testing product with low power factor.
4 Automatically trap and accurately lock testing data.
5 Compare to similar foreign instrument, measurement scope can be switched automatically within whole current testing scope; it is not necessary to replace the current measurement module.
6 Input transformer parameter, synchronously display conversion data.
7 Suitable to power measurement of the motor and air fan etc at same time.
8 Meet with voltage and current measurement of 150Hz and 200Hz induction voltage withstand test.
9 Harmonic analysis function.
10 8.0 inch colourful liquid crystal display screen, intelligent touching control technology and operation is simple.
11 The instrument has data storage, export of U disc, data printing and computer control function.
1 Voltage measurement scope: AC 10~1000V
2 Current measurement scope: AC 0.1 ~100 A
3 Measurement accuracy:
voltage: 0.1%±0.005V (frequency 40~70Hz)
0.5%±0.005V (frequency 70~200Hz)
Current: 0.1%±0.0002A (frequency 40~70Hz)
0.5%±0.0002A (frequency 70~200Hz)
Power: P×0.1%± (U×I×0.02%) ±0.05W (P is power factor, U is reading of voltage effective value, I is reading of current effective value)
4 Working power supply: AC220V±10%, 50/60 Hz
5 Working temperature: -20℃~40℃
6 Relative humidity: ≤80%RH no dewing
7 Volume: 360×360×200mm
8 Weight: 12kg
example:
1 Wiring method of no load three watt meter
(1) Direct measurement of three watt meter method
This wiring method is applied when voltage and current don’t exceed allowable input scope of the instrument.
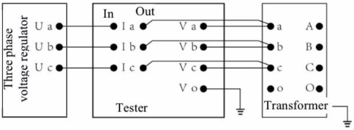
Wiring method shown in Fig. 3 is applied when the three phase voltage regulator has neutral point output.
Wiring method shown in figure 4 is applied when the three phase voltage regulator has no neutral point output.

Fig. 3 Wiring Method for Direct Measurement of No Load Loss Three Watt Meter (I)

Fig. 4 Wiring Method for Direct Measurement of No Load Loss Three Watt Meter (II)
1. When can I get the price?
We usually quote within 6 hours work time after we get your inquiry. If you are very urgent to get price, please call us or tell us in your email so that we will regard your inquiry priority.
2. What about the delivery time for production?
Honestly, it depends on the order quantity and the product. Usually our leading time is within 7 working days after order confirmation.
3. What is your payment terms?
We accept EXW, FOB, CFR, CIF, DDU, ect. You can choose the one which is the most convenient and cost effective for you.
4. How much will the Shipping cost and time be?
This will depend on size of your goods and method of shipping (by sea/ by air/by Express) and your designated seaport or airport. We will be grateful if you can spare us some minutes to evaluate the cost based on the information of product.
5. Could you please tell me the Warranty Period of your product?
Our warranty period is one year free and lifelong maintenance. If the product is damaged (if not man-made damage), in the first year,we will send free parts for replacement. Over warranty, maintenance is paid service.
6. Do you have Technical Backup to all customers from different countries?
To be sure,our technical support is always available and quick response.
We are manufacturer with much on-site testing experience, thus we know how to deal with your problems. Moreover, our engineers can go to your country to support if needed.